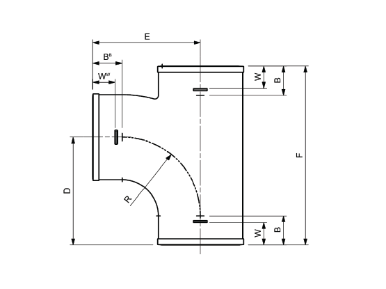
| ASA Code |
Size in Inch |
B in mm |
E in mm |
F in mm |
D in mm |
R in mm |
W in mm |
WW in mm |
BB in mm |
|---|---|---|---|---|---|---|---|---|---|
| 0810 | 2 | 38 | 114 | 175 | 114 | 76 | 29 | 29 | 38 |
| 0814 | 3 by 2 | 38 | 127 | 175 | 114 | 76 | 29 | 29 | 38 |
| 0816 | 3 | 38 | 127 | 203 | 127 | 89 | 29 | 29 | 38 |
| 0818 | 4 by 2 | 38 | 140 | 173 | 114 | 76 | 29 | 29 | 38 |
| 0820 | 4 by 3 | 38 | 140 | 203 | 127 | 89 | 29 | 29 | 38 |
| 0822 | 4 | 38 | 140 | 232 | 140 | 102 | 29 | 29 | 38 |
| 0824 | 5 by 2 | 51 | 165 | 216 | 127 | 76 | 38 | 29 | 38 |
| 0826 | 5 by 3 | 51 | 152 | 237 | 140 | 89 | 38 | 29 | 38 |
| 0828 | 5 by 2 | 51 | 152 | 264 | 152 | 102 | 38 | 29 | 38 |
| 0830 | 5 | 51 | 165 | 291 | 165 | 114 | 38 | 29 | 51 |
| 0832 | 6 by 2 | 51 | 165 | 208 | 127 | 76 | 38 | 29 | 38 |
| 0838 | 6 by 3 | 51 | 165 | 233 | 140 | 89 | 38 | 29 | 38 |
| 0834 | 6 by 4 | 51 | 165 | 256 | 152 | 102 | 38 | 29 | 38 |
| 0835 | 6 by 5 | 51 | 178 | 292 | 165 | 114 | 38 | 38 | 51 |
| 0836 | 6 | 51 | 178 | 318 | 178 | 127 | 38 | 38 | 51 |