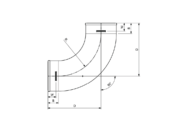
| ASA Code |
Size in Inch |
B In mm |
D in mm |
R in mm |
W in mm |
|---|---|---|---|---|---|
| 0462 | 2 | 38 | 165 | 127 | 29 |
| 0464 | 3 | 38 | 178 | 140 | 29 |
| 0468 | 4 | 38 | 191 | 152 | 29 |
| 0470 | 5 | 51 | 216 | 165 | 38 |
| 0472 | 6 | 51 | 229 | 178 | 38 |