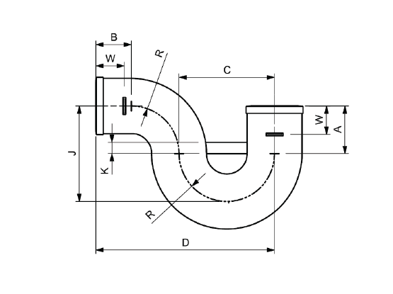
| ASA Code |
Size in Inch |
A in mm |
B in mm |
C in mm |
D in mm |
J in mm |
K in mm |
R in mm |
W in mm |
|---|---|---|---|---|---|---|---|---|---|
| 2508 | 2 | 51 | 38 | 102 | 291 | 102 | 13 | 51 | 29 |
| 2510 | 3 | 83 | 38 | 127 | 229 | 140 | 13 | 64 | 29 |
| 2512 | 4 | 102 | 38 | 152 | 267 | 165 | 13 | 76 | 29 |
| 2514 | 6 | 152 | 51 | 203 | 356 | 216 | 13 | 102 | 38 |